CPU Architecture 架构
依旧在使用的 CPU 架构
- x86_64, 大部分计算机使用
- 基于 ARM64 的 ISA(指令集架构)
- MIPS:大多数路由器使用
- 基于
S/390的大型机(现在改名为z/Architecture) - 嵌入式系统
- AVR(Arduino 设备)
- SuperH(土星、Dreamcast、卡西欧9860计算器)
805
- RISC-V
定义特征上的区别:
- 字的大小(word size)。8、16、31、32、64位
- 设计风格(design style)。RISC(指令少,操作简单),CISC(指令多,执行复杂的操作,VLIW(指令长,同时并行做很多事情)
- 存储架构(memory architecture)
- 许可成本:RISC-V是开放的,可以免费使用
- 特性集(features set):有些特性在特定架构平台有特定的支持。比如,浮点数(x87)、加密(AES-NI)、支持本地高级字节码执行(Jazelle、AVR32B)、矢量计算(SSE、AVX、AltiVec)。
动手制作 CPU
一些有趣的 homemade CPUs 项目
逻辑电路设计工具 🔧
GitHub - logisim-evolution/logisim-evolution: Digital logic design tool and simulator
GitHub - hneemann/Digital: A digital logic designer and circuit simulator.
I/O Ports
MMIO(内存映射的输入/输出)
简单寄存器、指令
16 个 32 位的寄存器,编号 r0 到 r15:
- r0 - r7: 低位寄存器,常用位置
- r8-r15: 高位寄存器,只能用特定的指令进行操作
- r13:栈指针 sp - Stack Pointer
- r14: 链接寄存器 lr - Link Register
- r15: 程序计数器 pc - Program Counter
指令分类,每一类都包含一个相同的头部(common header):
- ALU (算术与逻辑)运算
- load/store 指令
- 栈操作指令
- 分支指令(有条件和无条件)
总线 Buses
三态逻辑来实现的:一个信号要么是0,要么是1,要么是Z(发音为 "高阻抗")。Z是 “较弱”的信号,即,如果你将Z信号与0或1信号相连,将输出后者。
电路设计实例
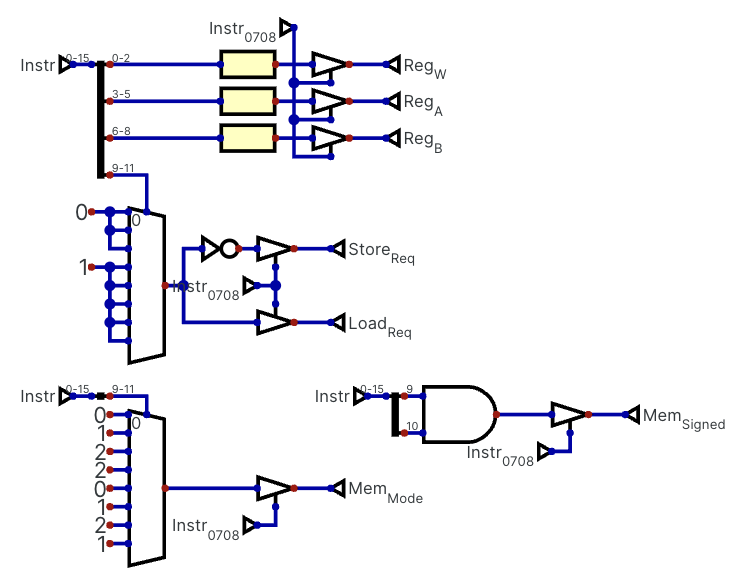
如 {direction}R{sign}{mode} {destination}, [{base}, {offset} 指令的组件:
{direction}:不是LD(load),就是ST(store){sign}:要么不做(不扩展),要么就是S(符号扩展值,以填充32位){mode}:要么是nothing(全字,32位)和H(半字,16位),要么是B(字节,8位){destination}:目标寄存器,要读出/写入{base},{offset}:内存中的地址(将是两者的值之和)
ldrh r1, [r2, r3] 指令的编码示意:

opcode 是一个 3位的值,用于同时对{direction}, {sign} 和 {mode}进行编码。
电路图:
- 三个寄存器(
Rd, Rb, Ro)在各自的位置(0-2, 3-5, 6-8)从指令中被读取,并被送到相应的全局通道(RW, RA, RB)。 opcode被解码,以检查它是一个store(000,001,010)还是一个load(剩余值)。opcode被解码以找到模式的值。0代表字,1代表半字,2代表字节。opcode再次被解码以找到符号的值(仅对操作码011和111来说是真的,所以我们可以检查最后两个比特是高位)。
Instr0708隧道是这个组件的激活引脚;如果当前指令属于这个指令组,它就是高电平。
内存 Memory
CPU的语言是汇编指令,这些指令有一个固定的、定义好的编码。
内存操作的简化:{“load value from address", "store value at address"}.
内存的工作原理

全局内存需要在任何时候要求任何数量的字节,是动态的,以堆(Heap)的形式存在。
本地内存用栈(Stack)的方式增长和收缩,有 push (增长)和 pop(缩小)操作,不需要对分配的内存块做任何登记,唯一需要关注的是该堆栈的深度,也就是栈的长度。通常的做法我们在内存中的某个地方设置为栈的起点,并在某个地方(例如,在一个寄存器中)保留一个全局变量,该变量包含栈最顶层的项(topmost item)在内存中的位置:栈指针(在ARM上为sp,或其全名为r13)。
栈的增长方向。
::寻址模式和内存对齐::
如果你想访问栈上的内存,你通常会访问栈顶部的东西(例如你的局部变量),所以你不必给出完整的内存地址(大),而只需要给出相对于栈指针的数据距离(小)。::这就是sp-relative寻址模式::,看起来像ldr r1, [sp, #8]。
假设你大多会存储4字节或更大的东西,所以我们会说栈是字对齐(word-aligned)的:所有东西都会被移动,以便地址是4的倍数。
函数调用 Function Call
在汇编中,调用函数的最简单方法是通过使用jump
如何解决跳过去,如何回来的问题:
使用一个全局变量(即寄存器)来存储调用者的地址,并有一个特殊的跳转指令,将寄存器设置到当前位置(链接),这样我们就可以在以后回到它(分支)。在ARM上,这就是bl(branch-link)系列指令,该寄存器被称为链接寄存器(缩写为lr,昵称为r14)
- 对嵌套调用不起作用! 从另一个被调用的函数里面调用一个函数,值会被覆盖。
- 当进入一个函数时,在栈中为局部变量分配空间,但也为必须保留的寄存器分配空间,当退出时,原始值从栈中放回到寄存器中。
设备 Devices
向地址0xFFFFFF00写一个字节将在终端显示器上显示一个字符。
从地址0xFFFFFF18中读取一个字节,就可以知道键盘缓冲区是否为空。